Belajar Pintar Materi SMP, SMA, SMK
BelajarPintarV3
Matematika
Segiempat dan Segitiga
MATERI
Luas Bangun Datar Tidak Beraturan

Bangun datar tak beraturan merupakan benda-benda nyata yang ada dalam kehidupan sehari-hari, seperti daun, batang pohon, penghapus pulpel, telapak tangan dan lain-lain serta suatu gambar bidang datar tidak beraturan. Benda-benda tersebut dapat diketahui luas permukaannya dengan menggunakan konsep mencari luas pada bangun datar segiempat dan segitiga. Contohnya adalah kasus masalah berikut ini.
Contoh Soal :
Perhatikan bangun-bangun berikut ini. Hitunglah luas daerahnya.
Penyelesaian :
Dapat dilihat bahwa bangun-bangun pada soal merupakan bangun yang tidak beraturan. Untuk menentukan luas daerah bangun-bangun yang tidak beraturan seperti pada soal, kamu tinggal menghitung petak yang menutupi bangun tersebut. Untuk petak yang tidak utuh, jika petak yang menutupi bangun lebih dari setengahnya, maka petak tersebut dihitung satu petak. Sekarang, perhatikan kembali bangun-bangun pada soal. Beri tanda centang pada petak yang utuh dan petak yang menutupi bangun lebih dari setengah bagian.
Dengan demikian, diperoleh luas daerah bangun A = 12 satuan, bangun B = 6 satuan, dan bangun C = 7 satuan.
1.
Kerjakanlah Soal berikut ini dengan benar!

Luas bangun di atas adalah… cm2
A. 505
B. 500
C. 450
D. 600
JAWABAN BENAR
A.
505
PEMBAHASAN

Luas bangun 1 (Segitiga)
L Segitiga =½x a x t
=½ x 9 cm x 1
Luas Bangun 2 (persegi) = sisi x sisi
=10 cm x 10 cm
=100 cm2
Luas bangun 3 (persegi panjang) = p x l
= 30 cm x 12 cm
=360 cm2
Jadi Luas bangun = Luas Segitiga + Luas Persegi Atas + Luas Persegi Panjang
=45 cm2 + 100 cm2 + 360 cm2
=505 cm2
2.
Kerjakanlah Soal berikut ini dengan benar!

Luas bangun di atas adalah… cm2
A. 505
B. 500
C. 450
D. 600
JAWABAN BENAR
D.
600
PEMBAHASAN
Penjelasan dengan langkah-langkah:
1. luas persegi panjang = 15 cm × 30 cm
= 450 cm
2. luas segitiga = 1/2 × 10 × 30
= 150 cm
jadi, total luas = 450 + 150
= 600 cm
3.
Kerjakanlah Soal berikut ini dengan benar!

Luas bangun di atas adalah… cm2
A. 981
B. 980
C. 950
D. 900
JAWABAN BENAR
A.
981
PEMBAHASAN
Trapesium dan 1/2 Lingkaran


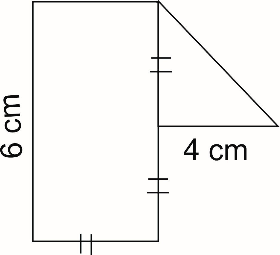
4.
Kerjakanlah Soal berikut ini dengan benar!

Luas bangun di atas adalah… cm2
A. 34
B. 24
C. 32
D. 20
JAWABAN BENAR
B.
24
PEMBAHASAN
Persegi

Segitiga


Oops!!!
Yah, jawaban kamu meleset nih. Ingin melihat pembahasan soal ini?
BENAR!!!
Selamat!
Jawaban kamu benar. Ingin lihat pembahasan soal ini?
footer_v3
Bersama Aku Pintar temukan jurusan kuliah yang tepat
sesuai minat dan bakatmu.
Aku Pintar memiliki visi membuat pendidikan merata, mudah dijangkau, dan terjangkau dengan Program Journey Pintar yang merupakan sebuah program persiapan lengkap bagi siswa SMA/SMK/sederajat yang ingin masuk ke perguruan tinggi impiannya.
Kontak Kami
Grand Slipi Tower Lt. 42
Jl. S. Parman Kav 22-24
Jakarta Barat
© 2024 Aku Pintar. All Rights Reserved